上一篇 下一篇 分享链接 返回 返回顶部

消防主机图符详解:理解与应对的关键符号指南

发布人:Popular. 发布时间:2026-01-02 16:10 阅读量:205

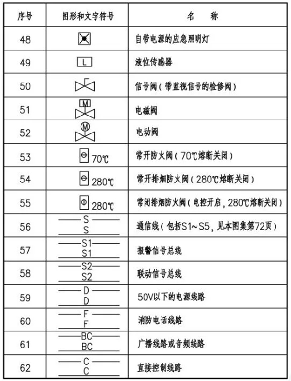
消防主机图例符号大全

消防主机图例符号大全

消防系统是现代建筑中不可或缺的一部分,而消防主机则是整个系统的核心。为了更好地理解消防主机的功能和操作,了解其图例符号是非常重要的。下面将详细介绍各种消防主机图例符号的含义和作用。

消防主机图例符号大全

一、基本符号概述

消防主机图例符号主要包括电源、报警、控制、联动等几个方面。这些符号通常以简洁的图形形式呈现,便于操作人员快速识别和理解。

二、具体符号解释

  1. 电源符号:通常以电池或插头形状表示,代表消防主机的电源状态。当该符号亮起时,表示电源正常,主机正常工作。
  2. 报警符号:包括火警、故障等类型。火警符号通常以火焰形状表示,当其亮起时,表示有火灾发生或探测器触发。故障符号则以其他形状表示,如三角形或感叹号,亮起时表示系统出现故障或异常情况。
  3. 控制符号:包括手动启动、自动启动等类型。手动启动通常以手形图标表示,表示可以通过人工操作启动消防系统。自动启动则无需人工干预,系统自动根据预设逻辑进行操作。
  4. 联动符号:包括喷淋系统、烟雾排烟系统等联动设备的符号。这些符号用于表示消防主机与外部设备的联动关系,确保在火灾等紧急情况下能够迅速响应和应对。

三、实际应用中的重要性

消防主机图例符号对于操作和维护消防系统具有重要意义。通过熟悉这些符号,操作人员可以迅速了解系统的运行状态和故障信息,及时采取相应的措施进行处理。同时,这些符号还可以帮助操作人员更好地理解系统的联动逻辑和功能,提高系统的可靠性和安全性。

四、总结

以上就是关于消防主机图例符号的详细介绍。了解这些符号的含义和作用,对于保障消防系统的正常运行和应对火灾等紧急情况具有重要意义。在实际应用中,应定期对消防系统进行检查和维护,确保其处于良好状态。同时,还应加强操作人员的培训和管理,提高其应对突发事件的能力和水平。

以上内容仅供参考,如需更多关于消防主机图例符号的信息,建议查阅相关技术手册或咨询专业技术人员。

目录结构
全文