上一篇 下一篇 分享链接 返回 返回顶部

警笛主机电路板维修指南:故障解析与修复要点

发布人:Popular. 发布时间:2026-03-24 13:22 阅读量:88

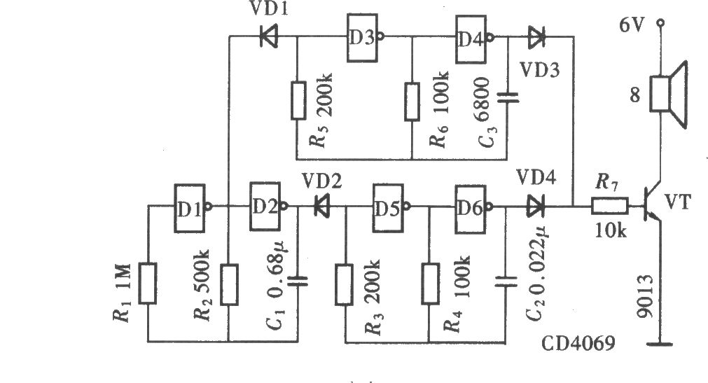
警笛主机电路板修理

警笛主机电路板修理

警笛主机作为许多公共安全场所的必备设备,其正常运行对于维护社会治安和保障人民安全至关重要。然而,由于各种原因,警笛主机的电路板可能会出现故障,影响其正常工作。本文将介绍警笛主机电路板修理的相关知识。

警笛主机电路板修理

一、常见故障及原因

警笛主机电路板修理

警笛主机电路板常见的故障包括不响、声音异常、工作不稳定等。这些故障的原因可能是电路板上的元件损坏、电路板接触不良、电路设计问题等。

二、修理步骤

  1. 诊断故障:首先需要确定故障的具体原因,可以通过观察警笛主机的表现、检查电路板上的元件等方式进行诊断。

  2. 准备工具和材料:根据故障原因,准备相应的修理工具和材料,如焊台、焊锡、电阻、电容等。

  3. 拆卸电路板:将警笛主机的外壳拆卸,取出电路板。

  4. 修理电路板:根据故障原因,对电路板进行修理。如果是元件损坏,需要更换损坏的元件;如果是接触不良,需要重新焊接;如果是电路设计问题,可能需要更改电路设计。

  5. 测试:修理完成后,需要对警笛主机进行测试,确保其正常工作。

三、注意事项

  1. 修理前应先了解警笛主机的原理和结构,避免因操作不当造成更大的损失。

  2. 修理过程中应注意安全,避免触电等危险情况。

  3. 如有需要,可以寻求专业人员的帮助,避免因自身技术不足造成更大的损失。

四、总结

警笛主机电路板修理是一项技术性较强的工作,需要具备一定的电子技术和焊接技术。在修理过程中,需要注意安全,遵循操作规程,避免因操作不当造成更大的损失。同时,如果遇到难以解决的问题,可以寻求专业人员的帮助,确保警笛主机能够正常工作,为社会治安和人民安全提供保障。

目录结构
全文